واتس اب

8615665727870

ارسل لنا عبر البريد الإلكتروني

sdepochwater@hotmail.com

منتجات
عداد مياه الري
  • عداد مياه الريعداد مياه الري
  • عداد مياه الريعداد مياه الري

عداد مياه الري

الاستخدام: أداة قياس التدفق لقياس الحجم الإجمالي للمياه المتدفقة عبر خط الأنابيب.

الشروط المقدمة:

◀الحجم: DN50~DN600

◀الخامة: هيكل من الحديد الزهر

◀ درجة الحرارة: T30، T50، T90

◀ فئة الضغط: MAP16، MAP10

◀ فقدان الضغط: △P63


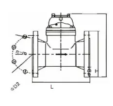
طريقة التثبيت:

1. التثبيت الأفقي.

2. مطلوب فلتر مياه إضافي.

3. يحتاج مدخل/مخرج عداد المياه إلى قسم أنبوب مستقيم U10/D5.


صفات:

1. مقاومة الإرسال الصغيرة، قدرة التدفق الكبيرة، مكافحة الحجب وقدرة قوية على مكافحة التلوث.

2. الدوار الأفقي، محرك اقتران مغناطيسي جاف.

3. يعتمد العداد على ختم الفراغ، ومضاد للتكثيف والانحلال، ويمكن أن يحافظ على القراءة واضحة لفترة طويلة.

4. تم اعتماد الهيكل القابل للإزالة لسهولة التركيب والصيانة

5. آلية القياس لها عالمية قوية.

6. وفقًا لاحتياجات العملاء ، يمكن توفير جهاز الإرسال والنقل عن بعد (نقل القصب / القاعة المزدوج).


المعلمة التقنية:

الاسم المميز (مم) تدفق يتراوح درجة القياس الحد الأقصى تدفق Q4 شائع تدفق Q3 تدفق الحدود Q2 الحد الأدنى تدفق Q1 الحد الأدنى قراءة الحد الأقصى قراءة
س3/س1 م3/ساعة م³
LXXG-50 2" R20 (ص25) 25 31.25 5 1.25 0.002 999، 999
LXXG-65 2/2" 40 50 8 2 0.002 999، 999
LXXG-80 3" 63 78.75 12.6 3.15 0.002 999، 999
LXXG-100 4" 100 125 20 5 0.002 999، 999
LXXG-125 5" 160 200 32 8 0.002 999، 999
LXXG-150 6" 250 312.5 50 12.5 0.002 999، 999
LXXG-200 8" 400 500 80 20 0.002 999، 999
LXXG-250 10" 630 787.5 126 31.5 0.02 9، 999، 999

البعد والوزن الكلي:

نموذج الاسم المميز طول ارتفاع شفة الاتصال
مم شفة الخارجي القطر φD1 عدد ربط البراغي د2 عدد ربط البراغي
LXXG-50 2" 200 253 165 125 4 * م16
LXXG-65 2V2" 200 268 185 145 4 * م16
LXXG-80 3" 225 284 200 160 8 * م16
LXXG-100 4" 250 295 220 180 8 * م16
LXXG-125 5" 250 310 250 210 8 * م16
LXXG-150 6" 300 339 285 240 8*م20
LXXG-200 8" 350 382 340 295 8 * M20 (1.0MPa) 12 * M20 (1.0MPa)
LXXG-250 10" 450 438 395 405
12 * M20 (1.0 ميجا باسكال) 12 * M24 (1.0 ميجا باسكال)

أ.الحد الأقصى للخطأ المسموح به للمنطقة المنخفضة (Q1≥Q

ب. عندما تكون درجة حرارة الماء أقل من 30 درجة مئوية، فإن الحد الأقصى للخطأ المسموح به في المنطقة العالية (Q2≥Q≥Q4) هو ±2% عندما تكون درجة حرارة الماء أكبر من 30 درجة مئوية، فإن الحد الأقصى للخطأ المسموح به في المنطقة المرتفعة (Q2≥Q≥Q4) هو±3%






الكلمات الساخنة: عداد مياه الري
إرسال استفسار
معلومات الاتصال
  • عنوان

    رقم 112، طريق جيفانغ، منطقة ليكسيا، مدينة جينان، مقاطعة شاندونغ، الصين

  • بريد إلكتروني

    sdepochwater@hotmail.com

هل أنت مستعد لنقل مشروع نظام المياه إلى المستوى التالي؟ أرسل استفسارًا إلى شركة Shandong Epoch Equipment Co. ، Ltd. واحصل على استجابة مخصصة من فريقنا. نحن هنا للمساعدة في جميع احتياجات نظام المياه الخاصة بك. دعونا نكون شريكك الموثوق به.
X
نحن نستخدم ملفات تعريف الارتباط لنقدم لك تجربة تصفح أفضل، وتحليل حركة مرور الموقع، وتخصيص المحتوى. باستخدام هذا الموقع، فإنك توافق على استخدامنا لملفات تعريف الارتباط. سياسة الخصوصية
يرفض يقبل