واتس اب

8615665727870

ارسل لنا عبر البريد الإلكتروني

sdepochwater@hotmail.com

أخبار

هيكل ومبدأ العمل لصمام الفراشة

90 درجة دوران ، إتقان التحكم في التدفق-صمامات الفراشة: تحسين الكفاءة والتكلفة لعمليات خطوط الأنابيب الكبيرة القطر!

1. نظرة عامة على ذلك:

  صمام فراشةهو صمام بسيط من الناحية الهيكلية وسريعة التشغيل يستخدم في المقام الأول للتحكم في تدفق السوائل (مثل الماء أو الغاز أو الملاط) في خطوط الأنابيب. تتمثل وظيفتها الأساسية في فتح أو إغلاق أو تنظيم ممر التدفق عن طريق تدوير القرص (قرص الفراشة) داخل الأنبوب.

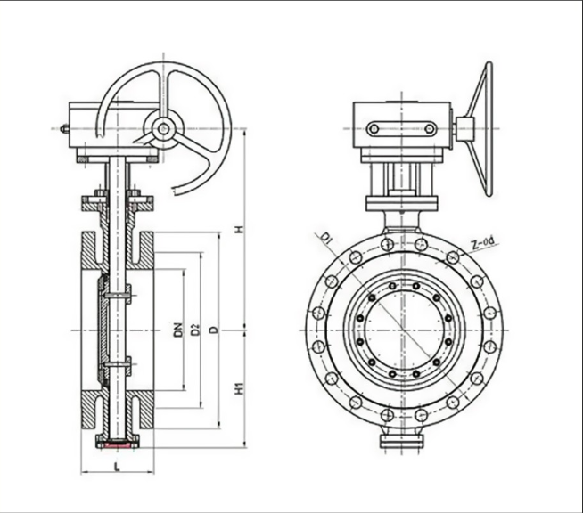
2. مكونات المفتاح - جسم الصمام والقرص:

   الجسم الرئيسي لصمام الفراشة هو جسم الصمام ، وهو سكن أسطواني قصير متصل بخط الأنابيب في كلا الطرفين ، ويشكل مرور السوائل. وضع مركزي داخل مرور جسم الصمام هو المكون الأساسي - القرص. هذا هي بنية على شكل قرص تصميميها (متحدة المركز أو غريب الأطوار) والمواد تؤثر بشكل كبير على أداء الصمام.

3. مكونات المفتاح - الجذعية والتشغيل:

   يمر جذع عبر الوسط أو نقطة غريب الأطوار من القرص ويمتد خارج جسم الصمام. هذا العمود هو المسؤول عن إرسال قوة الدوران (عزم الدوران) الناتجة عن آلية التشغيل الخارجية (مثل الرافعة أو العجلة اليدوية أو المشغل التلقائي) إلى القرص ، مما يؤدي إلى دورانه.

4. مكونات المفتاح - الختم (المقعد والأختام):

   لتحقيق الختم عند الإغلاق ، يتم تثبيت مقعد حلقي على الجدار الداخلي لجسم الصمام (أو على حافة القرص في تصميمات الإزاحة الثلاثية). عندما يغلق القرص ، تضغط الحافة بإحكام على هذا المقعد. يمكن أن تكون مواد المقعد المرنة (المقعد الناعم ، على سبيل المثال ، المطاط ، PTFE ، مما يوفر ختم جيد) أو المعدن (مقعد صلب ، مقاوم لدرجة الحرارة العالية والضغط). بالإضافة إلى ذلك ، توجد الأختام (مثل التعبئة أو الحلقات O) حيث يخرج الساق من جسم الصمام ، مما يمنع تسرب الوسائط على طول الجذع.

5. مبدأ العمل - عملية الافتتاح:

   عندما يحتاج الصمام إلى فتحه ، تدور آلية التشغيل (يدويًا أو تلقائيًا) الجذع. يتسبب الجذع في تدوير القرص حول محوره ، ويتحرك من موضع عمودي على محور خط الأنابيب (90 درجة ، حالة مغلقة) نحو موضع موازٍ له (0 درجة). مع تدوير القرص ، ينخفض انسداده إلى السائل ، يفتح مرور التدفق تدريجياً ، ويتدفق السوائل بسلاسة. تسمح زاوية الدوران بالتحكم الدقيق في معدل التدفق.

6. مبدأ العمل - عملية الإغلاق:

   عندما يحتاج الصمام إلى إغلاقه ، تقوم آلية التشغيل بتدوير الجذع في الاتجاه المعاكس. يبدأ القرص بالتناوب من موضعه بالتوازي مع خط الأنابيب ، ويمنع تدريجياً مسار التدفق. عند تدوير حوالي 90 درجة للوصول إلى الوضع العمودي ، تضغط حافة القرص بقوة على المقعد. من خلال هذا الضغط (بالاعتماد على التشوه المرن للمقاعد الناعمة ، أو ملامسة تفتق مخروطة دقيقة للمقاعد الصلبة) ، يتم تشكيل حلقة ختم كاملة بين حافة القرص والمقعد ، وتمنع تدفق السوائل تمامًا.

7. مزايا:

   تكمن المزايا الأساسية لصمامات الفراشة في بنيةها المدمجة ، والوزن الخفيف ، والأبعاد قصيرة وجهاً لوجه (مساحة توفير) ، والتشغيل البسيط والسريع (عادةً ما تتطلب دوران 90 درجة فقط لمقاومة السوائل المفتوحة/القريبة) ، وخاصة مقاومة السوائل المنخفضة (خاصة عند فتحها بالكامل) ، ومزايا تشغيل منخفضة التكلفة في خطوط الأنابيب الكبيرة.

8. العيوب والاعتبارات:

   تشمل عيوب صمامات الفراشة قدرتها على ضغط الختم عادةً أن تكون أقل من صمامات البوابة أو الكرة الأرضية (وخاصة الأنواع ذات الجمعية اللينة) ، والقرص موجود دائمًا في مسار التدفق الذي يسبب بعض فقدان الضغط ، ويكون أقل ملاءمة لتطبيقات الاختناق الشديدة (والتي قد تسبب الاهتزاز أو التآكل) ، وحساسية مواد المقعد الناعم.

9. التطبيقات النمطية:

   الاستفادة من هذه المزايا ، يتم تطبيق صمامات الفراشة على نطاق واسع في سيناريوهات قطرها متوسطة إلى أخرى تتطلب تشغيل سريع ، قيود على المساحة ، أو حساسية التكلفة. تشمل التطبيقات الشائعة: أنظمة إمدادات المياه والصرف الصحي (مياه الشرب ، ومياه الصرف الصحي) ، و HVAC (التدفئة ، والتهوية ، وتكييف الهواء) ، وأنظمة الحماية من الحرائق ، ومياه التبريد في صناعة الطاقة ، وصناعة البتروكيماويات (للضغط المنخفض ، ووسائط درجة الحرارة المحيطة) ، والصناعات الغذائية والمسلسلات الصيدلانية (صحة التصنيف الصحي) ، ومساعدات الصدمة.

   شاندونغ عصر المعدات ، المحدودة. هي الشركة المصنعة المهنية على نطاق واسع في مقاطعة شاندونغ الصين ، تلتزم بتوجه العلوم والتكنولوجيا وحماية البيئة والجودة والكفاءة. في الوقت الحاضر ، نمت لتصبح مؤسسة عبر الإقليمية ومتعددة الصناعات تدمج الصناعات الواسعة مثل التصميم والتطوير والإنتاج والتصدير. قم بزيارة موقعنا علىhttps://www.epochpipeline.com/لمعرفة المزيد عن منتجاتنا. للاستفسارات ، يمكنك الوصول إلينا على sdepochwater@hotmail.com.

أخبار ذات صلة
اترك لي رسالة
X
نحن نستخدم ملفات تعريف الارتباط لنقدم لك تجربة تصفح أفضل، وتحليل حركة مرور الموقع، وتخصيص المحتوى. باستخدام هذا الموقع، فإنك توافق على استخدامنا لملفات تعريف الارتباط. سياسة الخصوصية
يرفض يقبل